装饰装修材料与构造(十四)

2022-08-15 01:53

第十四章  墙面与柱面装饰装修构造图

第九节  内墙涂料构造

图片

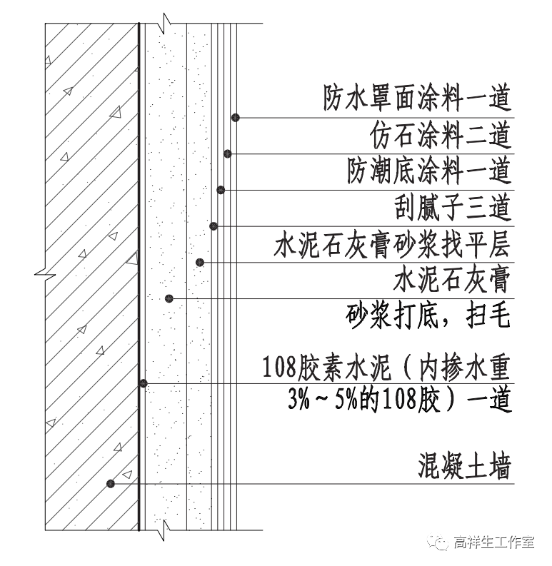
图 14-9-1 涂料墙面(一)构造节点图

图片

图 14-9-2 涂料墙面(一)三维图

图片

图 14-9-3 涂料墙面(二)构造节点图

图片

图 14-9-4 涂料墙面(二)三维图

图片

图 14-9-5 涂料墙面(三)构造节点图

图片

图 14-9-6 涂料墙面(三)三维图

图片

图 14-9-7 涂料墙面(四)构造节点图

图片

图 14-9-8 涂料墙面(四)三维图

图片

图 14-9-9 涂料墙面(五)构造节点图

图片

图 14-9-10 涂料墙面(五)三维图

图片

图 14-9-11 涂料墙面(六)构造节点图

图片

图 14-9-12 涂料墙面(六)三维图

第十节  隔声墙构造

图片

图 14-10-1 穿孔石膏板隔声墙面(一)构造节点图

图片

图 14-10-2 穿孔石膏板隔声墙面(一)三维图

图片

图 14-10-3 穿孔石膏板隔声墙面(二)构造节点图

图片

图 14-10-4 穿孔石膏板隔声墙面(二)三维图

图片

图 14-10-5 穿孔石膏板隔声墙面(三)构造节点图

图片

图 14-10-6 穿孔石膏板隔声墙面(三)三维图

图片

图 14-10-7 双层穿孔石膏板隔声墙面(一)构造节点图

图片

图 14-10-8 双层穿孔石膏板隔声墙面(一)三维图

图片

图 14-10-9 双层穿孔石膏板隔声墙面(二)构造节点图

图片

图 14-10-10 双层穿孔石膏板隔声墙面(二)三维图

图片

图 14-10-11 双层穿孔石膏板隔声墙面(三)构造节点图

图片

图 14-10-12 双层穿孔石膏板隔声墙面(三)三维图

图片

图 14-10-13 木丝板或石膏板隔声墙面构造节点图

图片

图 14-10-14 木丝板或石膏板隔声墙面三维图

图片

图 14-10-15 穿孔木饰吸声板墙面(一)构造节点图

图片

图 14-10-16 穿孔木饰吸声板墙面(一)三维图

图片

图 14-10-17 穿孔木饰吸声板墙面(二)构造节点图

图片

图 14-10-18 穿孔木饰吸声板墙面(二)三维图

图片

图 14-10-19 木饰面隔声墙面构造节点图

图片

图 14-10-20 木饰面隔声墙面三维图

图片

图 14-10-21 穿孔木饰吸声板隔声墙面构造节点图

图片

图 14-10-22 穿孔木饰吸声板隔声墙面三维图

图片

图 14-10-23 实木穿孔吸声板隔声墙面构造节点图

图片

图 14-10-24 实木穿孔吸声板隔声墙面三维图

图片

图 14-10-25 铝板网隔声墙面(一)构造节点图

图片

图 14-10-26 铝板网隔声墙面(一)三维图

图片

图 14-10-27 铝板网隔声墙面(二)构造节点图

图片

图 14-10-28 铝板网隔声墙面(二)三维图

图片

图 14-10-29 铝板网隔声墙面(三)构造节点图

图片

图 14-10-30 铝板网隔声墙面(三)三维图

图片

图 14-10-31 铝板网加压实木饰条隔声墙面(一)构造节点图

图片

图 14-10-32 铝板网加压实木饰条隔声墙面(一)三维图

图片

图 14-10-33 铝板网加压实木饰条隔声墙面(二)构造节点图

图片

图 14-10-34 铝板网加压实木饰条隔声墙面(二)三维图

图片

图 14-10-35 穿孔金属饰面板隔声墙面(一)构造节点图

图片

图 14-10-36 穿孔金属饰面板隔声墙面(一)三维图

图片

图 14-10-37 穿孔金属饰面板隔声墙面(二)构造节点图

图片

图 14-10-38 穿孔金属饰面板隔声墙面(二)三维图

图片

图 14-10-39 穿孔金属饰面板隔声墙面(三)构造节点图

图片

图 14-10-40 穿孔金属饰面板隔声墙面(三)三维图

图片

图 14-10-41 穿孔硅酸钙板饰面构造节点图

图片

图 14-10-42 穿孔硅酸钙板饰面三维图

图片

图 14-10-43 穿孔吸声复合板饰面构造节点图

图片

图 14-10-44 穿孔吸声复合板饰面三维图

图片

图 14-10-45 穿孔石膏板饰面吸声板构造节点图

图片

图 14-10-46 穿孔石膏板饰面吸声板三维图