第十四章 墙面与柱面装饰装修构造图
第五节 木饰面板构造

图 14-5-1 薄木饰面木饰面板内部构造三维图

图 14-5-2 3厚木饰面板内部构造三维图

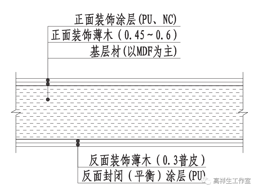
图 14-5-3 薄木饰面木饰面板内部构造节点图

图 14-5-4 3厚木饰面板内部构造节点图

图 14-5-5 木饰面拼接墙面(一)三维图(V 型缝)

图 14-5-6 木饰面拼接墙面(二)三维图(U 型缝)

图 14-5-7 木饰面拼接墙面(一)构造节点图(V 型缝)

图 14-5-8 木饰面拼接墙面(二)构造节点图(U 型缝)

图 14-5-9 木饰面拼接墙面(三)三维图(U 型缝)

图 14-5-10 木饰面拼接墙面(四)三维图

图 14-5-11 木饰面拼接墙面(三)构造节点图(U 型缝)

图 14-5-12 木饰面拼接墙面(四)构造节点图

图 14-5-13 木饰面拼接墙面(五)三维图

图 14-5-14 木饰面拼接墙面(六)三维图

图 14-5-15 木饰面拼接墙面(五)构造节点图

图 14-5-16 木饰面拼接墙面(六)构造节点图

图 14-5-17 木饰面拼接墙面(七)三维图

图 14-5-18 木饰面拼接墙面(八)三维图

图 14-5-19 木饰面拼接墙面(七)构造节点图

图 14-5-20 木饰面拼接墙面(八)构造节点图

图 14-5-21 木墙裙墙面(一)三维图

图 14-5-22 木墙裙墙面(二)三维图

图 14-5-23 木墙裙墙面(一)构造节点图

图 14-5-24 木墙裙墙面(二)构造节点图

图 14-5-25 木墙裙墙面(三)三维图

图 14-5-26 木墙裙墙面(四)三维图

图 14-5-27 木墙裙墙面(三)构造节点图

图 14-5-28 木墙裙墙面(四)构造节点图

图 14-5-29 木饰面悬挂式墙面(一)三维图

图 14-5-30 木饰面悬挂式墙面(二)三维图

图 14-5-31 木饰面悬挂式墙面(一)构造节点图

图 14-5-32 木饰面悬挂式墙面(二)构造节点图

图 14-5-33 木饰面倒挂式墙面(一)三维图

图 14-5-34 木饰面倒挂式墙面(二)三维图

图 14-5-35 木饰面倒挂式墙面(一)构造节点图

图 14-5-36 木饰面倒挂式墙面(二)构造节点图

图 14-5-37 木饰面板墙面三维图

图 14-5-38 阴角干挂木饰面板墙面三维图

图 14-5-39 木饰面板墙面构造节点图

图 14-5-40 阴角干挂木饰面板墙面构造节点图

图 14-5-41 抗倍特板干挂墙面(一)构造节点图

图 14-5-42 抗倍特板干挂墙面(一)三维图

图 14-5-43 抗倍特板干挂墙面(二)构造节点图

图 14-5-44 抗倍特板干挂墙面(二)三维图

图 14-5-45 抗倍特板干挂墙面(三)构造节点图

图 14-5-46 抗倍特板干挂墙面(三)三维图
第六节 软包、硬包饰面构造

图 14-6-1 软包墙面(一)构造节点图

图 14-6-2 软包墙面(一)三维图

图 14-6-3 软包墙面(二)构造节点图

图 14-6-4 软包墙面(二)三维图

图 14-6-5 软包墙面(三)构造节点图

图 14-6-6 软包墙面(三)三维图

图 14-6-7 硬包墙面(一)构造节点图

图 14-6-8 硬包墙面(一)三维图

图 14-6-9 硬包墙面(二)构造节点图

图 14-6-10 硬包墙面(二)三维图

图 14-6-11 硬包墙面(三)构造节点图

图 14-6-12 硬包墙面(三)三维图
第七节 壁纸、壁布饰面构造

图 14-7-1 壁纸墙面(一)构造节点图(砖墙基层)

图 14-7-2 壁纸墙面(一)三维图(砖墙基层)

图 14-7-3 壁纸墙面(二)构造节点图(石膏板基层)

图 14-7-4 壁纸墙面(二)三维图(石膏板基层)

图 14-7-5 壁纸墙面(三)构造节点图(阻燃型胶合板基层)

图 14-7-6 壁纸墙面(三)三维图(阻燃型胶合板基层)

图 14-7-7 壁纸墙面(四)构造节点图(混凝土基层)

图 14-7-8 壁纸墙面(四)三维图(混凝土基层)

图 14-7-9 壁纸墙面(五)构造节点图

图 14-7-10 壁纸墙面(五)三维图

图 14-7-11 壁纸墙面(六)构造节点图(PVC 卷材)

图 14-7-12 壁纸墙面(六)三维图(PVC 卷材)
